電源管理的挑戰
由于電路板組件整合了越來越多的子系統,他們的電源分配和管理系統的復雜性不斷上升。由于這些系統變得越來越復雜,傳統的固定功能、以硬件為中心的電源管理方案很快變得相當笨拙。
另一種方法是用自上而下的、需求驅動的辦法來解決
PCB設計問題,取代試圖圍繞一個或多個固定功能的整合電路,來設計電路板的電源管理功能;設計人員用獨立的物理與邏輯功能來定義系統,根據這些功能來推動PCB設計。
用這樣的方法進行設計需要更新設計理念,系統的控制邏輯與硬件轉移到韌體或是軟件,而優點是減少了所需零組件的數量、降低系統的成本,在適應無法預料的需求方面具有更大的靈活性。
本文介紹了這種系統導向方法的實例,將其應用到CompactPCI (cPCI)板級電源管理,其中包括熱插拔功能。
基本的CompactPCI電路板的電源管理
圖一展示了一個支援熱插拔的cPCI板的電源管理系統的頂層設計圖;當這塊電路板插到背板時,熱插拔控制器必須完善地執行以下的操作:
1)測試cPCI匯流排電源處于穩定狀態,且用/BRD_SEL訊號使電路板就位。這些條件得到滿足時,控制器可以連接電路板的電源系統到匯流排電源。對于電路板吸取大電流的電源線路,電源管理可能還需要控制電壓上升率,以防止在系統中可能瞬態破壞其他電路板的運作。
2)監控cPCI匯流排的控制訊號,尤其是/PCI_RST。電源管理器必須使本地復位訊號/LOCAL_PCI_RST有效,在所有電路板級電壓穩定之后,保持一定的時間,以確保電路板上的系統正確初始化。
3)監控板上的電源電壓,電流和電路板上子系統的狀態訊號,以確定一切是否正常工作。如果是這樣的情況,那么控制器可以使cPCI匯流排上的HEALTHY訊號有效。在出現故障情況下,該控制器需要以盡量減少潛在損害的方式作出反應。
圖一即使是一個簡單的cPCI電源管理系統也有各種需求,專門功能的控制晶片可能不滿足這些要求。例如,1.8V和1.2V的POL轉換器的時序要求,將需要額外的控制電路。
相反,當熱插拔控制器檢測到電路板正在從系統中拔出,在電源連接器斷開之前,必須確保電路板邊緣的電源已脫開。不這樣做的話,就會在背板的電源上產生電弧和瞬變,可能會干擾其他正在運作的電路板。
在實際的熱插拔控制系統中,即便是一個簡單的系統,還有其他一些重要細節可能需要控制器進行處理,例如如果未能妥善處理過流檢測的情況,可能影響系統中的其他電路板。
如果對于cPCI系統使用專用功能的cPCI熱插拔控制器,通常提供(但不總是)上面所述的基本時序和診斷功能。如果電路板能夠在一個約束的專門功能的熱插拔控制器內工作,這也許是最簡單的解決辦法。
CompactPCI的電路板電源管理不僅僅是熱插拔控制
隨著板級整合度的不斷提升,對電源管理的作用和復雜性的要求也越來越高。多個元件可能需要遵循特殊的上電和斷電時序。甚至使用多個電壓支持核和I/O電路的單晶片可能需要專門的時序。透過使用DC-DC轉換器及負載點(POL)穩壓器,往往是在本地電路板上提供多個電源,并可能需要單獨的監測和控制功能。
設計用于不間斷和通訊應用中的系統,帶來了額外的電源管理問題;例如,電路板上一個子系統中的一個元件失效時,它可能只需要能夠關閉有故障的子系統,而允許電路板上的其他子系統繼續工作。
實現設計的一種方式是開始用一個或多個「標淮」的電源管理整合電路,支援所需的單個功能,然后再設計一個協調它們運作的系統。根據協調的復雜性,實現可能是簡單的黏合邏輯,或復雜的微控制器和支援韌體(圖二)。
圖二電源管理系統可以透過組合標淮的電源管理IC與頂層控制功能來實現。雖然簡單設計是可行的,當人們試圖提供獨立控制器的各種功能和介面需求時,這種方法很快變得無法控制。
雖然這種 ad-hoc 方式可能會形成一個有用的設計,但是可能由于未使用的功能和復制的功能,以及大的封裝而造成不必要的費用。
此外,即使最終能夠與微控制器相協調,這種解決方案的硬連線的性質會使人難以逐步修改設計來解決問題,或支援產品的遷移。
系統導向的方法
取代從一個或多個預先定義的控制器整合電路實現電源管理系統的方法,更有效的方法是首先考慮需要那些基本功能,以支援電源管理系統。這些功能可以分為支援硬件測量和控制的資源,支持時序和組合處理創建的邏輯運算。表一列出了需要實現電源管理的、最常見的部分功能。
物理功能 |
邏輯功能 |
* 電壓監測
* 電流監測
* 具有電流限制和'軟啟動'
的熱插拔控制
* 數位控制
* 監控通信
|
* 線性時序
* 組合邏輯處理
* 條件分支
* 時間延時
* 多個同時處理
* 特定條件的非規劃的'中斷'
|
表1 通用電源管理功能
分解電源管理系統的要求至上述功能可以更容易、簡潔地定義設計。第一步是確定所需關鍵功能的類型和功能,如電壓和電流監測點和數位I/O。下一步是確定對每個資源的具體要求。對于圖 1 假設的cPCI電源系統,需要以下的資源(表二):
資源 |
數量 |
注釋 |
電源開關 |
4
(+12,-12,+5,+3.3)
|
+5V 和 +3.3V 的軟啟動熱插拔控制 |
電壓監控 |
8 |
在匯流排和電路板上監控+12V, +5V和 +3.3V
監控 1.8V 和 1.2V POL 的穩壓器輸出
|
電流監控 |
2 |
監控+5V 和 +3.3V 上的電流 |
數字I/O |
2 |
輸入 / 4 輸出 開漏輸出 |
表 2 用于cPCI電源管理的資源
下面的設計實例將使用萊迪思半導體公司的ispPAC Power Manager II系列,ispPACPOWER1220AT8?;诠I標淮的基于巨集單元的CPLD架構,這個元件針對電源管理應用進行了優化,整合了專門的I/O,如可編程電壓監視輸入和high-side MOSFET驅動器輸出功能。
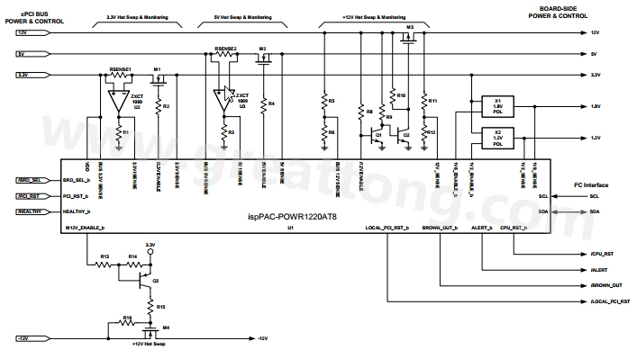
圖三展示了ispPAC-POWER1220AT8 (U1)的示意圖,它和相關元件配置為用作cPCI-4-的熱插拔控制器,以及次級電源監控和時序控制器。
由于 Power Manager II 是可編程的,在分配功能至特定的 I/O 引腳方面有很大的靈活性。由于這個原因,出于明確起見,U1 的腳被賦予相應的描述性的標簽,在此特定應用中對應它們的編程功能。在其他應用中,該元件的引腳可通過使用萊迪思的 PAC-Designer 設計軟件賦予不同的功能和相應的名稱。
圖三萊迪思半導體公司的ispPAC-POWER1220AT8 支援cPCI電源管理系統所需的主要功能。對于電源開關,電流監測和高電壓介面(+/- 12V)功能需要外部的主動元件。
對于這個設計,需要一些外部的主動元件,以支援電源開關,高電壓(+/- 12V)介面,或電流測量功能。 MOSFET M1- M4 處理實際的負載開關。對于M1 和M2,Power Manager II的電荷泵MOSFET驅動器輸出可以產生足夠的電壓對它們直接控制,通過MOSFET的閘極電壓的斜率控制,也可以提供軟啟動功能。M3 和M4 用來切換+/-12V 電壓, 需要用外部的元元件來實施電平的轉換。
U1 的電壓監控輸入可直接檢測 0 至 5.75V的電壓范圍,可用于直接監測多個電源電壓。但是在+12V電源供電的情況下,需要有一個外部電阻分壓器,將 12V電壓降至一個合適的范圍。使用電阻分壓器轉換到 3.3V正電壓,也可以檢測-12V電源電壓。外部電流傳感電阻(RSENSE1,RSENSE2)和電流檢測放大器(U2,U3)能夠監測 3.3V和 5V電源線上的電流。
除了 Power Manager II 的通用數位和類比 I/O,元件還提供一個 I2C 數位介面,用獨立的監控處理器可以進行控制和監測。在 cPCI 板上實施高級監測和診斷功能時,這個功能是很有用的。
cPCI 板的管理
除了硬件之外,cPCI 電源控制器也需要一些協調操作的邏輯處理。適當處理的定義往往是比支援硬件的定義實施更為復雜的任務,特別表現在要求硬件和軟件密切配合實現功能。例如,圖 3 電路可以在 3.3V 和 5V 線上對浪涌電流進行限制,而不需要硬件電流調節器。當電路板插入背板時,控制器(U1)處于等待狀態,直到電源電壓趨于穩定,以及/BD_SEL 信號變為啟動狀態。
使用 U1 的軟啟動 MOSFET 驅動器,然后打開 MOSFET M1 和 M2。不斷監測流經M1 和 M2 的電流,如果電流增加超過可編程的閾值,關閉 M1 和 M2。然后電流開始迅速下降,當它低于閾值時,MOSFET 再重新打開。這一過程不斷持續,直到 3.3V 和 5V 電壓達到正常的工作電壓和電流值。在硬件和邏輯功能之間分割浪涌電流限制功能的話,就可以使硬件更簡單,更便宜。
規范板級電源管理
使用可編程元件作為電源系統控制器的一個優點是可以直接對控制邏輯和I/O的分配做出修改,在產品開發過程中提供很大的益處。而且,這種靈活性還為企業提供了好處。使用ispPAC-POWER1220AT8 這樣的可編程電源管理晶片使設計人員和設計部門建立一個或多個公用平臺,只需稍加修改就可以迅速地適用于各種項目。
總結
本文用具有輔助 POL 穩壓器的 CompactPCI 熱插拔控制器為例,介紹了面向系統的方法來設計電源管理系統。用硬件和邏輯基元設計定義設計要求簡化了硬件設計,使很多復雜的設計轉成用可編程邏輯實現。這種方法使得設計既降低了成本,還可以隨時在特定的 cPCI 板上進行修改。
深圳宏力捷推薦服務:PCB設計打樣 | PCB抄板打樣 | PCB打樣&批量生產 | PCBA代工代料
